Nav
联系人:马经理
手机:18953346677
电话:0533-4184041
传真:0533-4173564
邮局:dongyuanjsj@163.com
网址:www.zbdongyuan.com
电话:0533-4184041
地址:山东省淄博市博山经济开发区

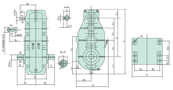
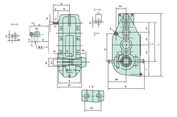
ZSC、ZSC(A)系列立式渐开线圆柱齿轮减速机为立式渐开线圆柱齿轮减速机,三级圆柱齿轮传动。主要用于桥式起重机小车运行机构和门式起重机运行结构,适合受结构限制采用立式安装的工作场合,也适用于之相似安装形式的传动机构。ZSC(A)型为立式套装 式渐开线圆柱齿轮减速机。
产品型号: ZSC350、ZSC400、ZSC600、ZSC750、 ZSC(A)320、ZSC(A)400、ZSC(A)500、ZSC(A)600、ZSC(A)650、ZSC(A)800
其适用条件是:
1、高速轴输入转速不大于1500转/分;
2、齿轮传动圆周速度不得超过10米/秒;
3、工作环境温度为-40度~ +45度;
4、本减速器可正、反两向运转。
ZSC减速机外形及安装尺寸



ZSC(A)减速机外形及安装尺寸


